CMD20P
CMD20P 对刀仪采用接触式高精度触发测量原理,精确测量刀具长度、直径及磨损量,对刀精度可达微米级,能在机床上自动修正刀偏参数,避免人为误差,适用于精密加工,CNC 加工中心、磨床、雕刻机等。


特点
1.防尘防水结构,在冷却液、铁屑飞扬的条件下有很好的耐久性。
2.内部对刀和防撞设计均无触点结构,不存在机械磨损
3.防水等级 IP68 可以浸泡在水或油的恶劣环境下使用
4.寿命可达 1000 万次以上
5.超行程时可发报警信号。
6.刀具突出的尖角直接接触加工尺寸相关工具尖端,测知其
位置、尺寸、输出信号,所以与激光和通电式通过光量和电
量换算间接求出平均数值(计量、输出)方式相比,精度高。
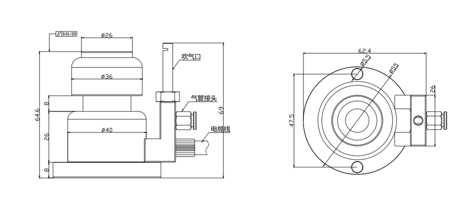
尺寸图/电路图



规格型号
通用规格







